ワイヤー式壁面緑化工法 アルティマ壁面緑化システム (PAT.P)


 

 高さによる納まり構成_Lアングル

 

 ワイヤーセット1本辺りの荷重値は上端、下端各Lアングルに5kg~10kg程度になります。

 2種類の部材構成 (パターン①_スパイラルワイヤーセット、パターン②_ワイヤーロール+グリップ内蔵バネフック)

 

 

 

高さ 約5,000まで

 

パターン①

  • 被膜φ6スパイラルワイヤーセット

  • ※ 振れ止めなしで取付可能

パターン②

  • 被膜φ6スパイラルワイヤーロール

  • グリップ内蔵バネフック×2個

  • ※ 振れ止めなしで取付可能
 

 

高さ 約5,000 ~ 約8,000まで

 

パターン①

  • 被膜φ6スパイラルワイヤーセット
  • 中間振れ止め用 Lアングル (推奨)

パターン②

  • 被膜φ6スパイラルワイヤーロール
  • グリップ内蔵バネフック×2個
  • 中間振れ止め用 Lアングル (推奨)

 

 納まり支持材_Lアングル

 

 

① ワイヤーは縦のみ(ストライプ)に張りたい

 

↓ はい ↓ いいえ

 

② 高さ8m以上である

 

② ワイヤーは縦横(チェッククロス)に張りたい
↓ はい ↓ いいえ ↓ はい ↓ いいえ 斜め(ダイヤクロス)に張りたい
  ③ 高さ5m以上8m以下である

 

③ 設置箇所は開口部である (アンカーが打てない)

 

 
↓ はい ↓ いいえ 高さ5m以下 ↓ はい ↓ いいえ

 

④ 振れ止めはLアングルを使用したい

 

     
↓ はい ↓ いいえ 

 

詳細はこちら

 

詳細はこちら 詳細はこちら 詳細はこちら 詳細はこちら  詳細はこちら   詳細はこちら
             
D B  C A E F  G

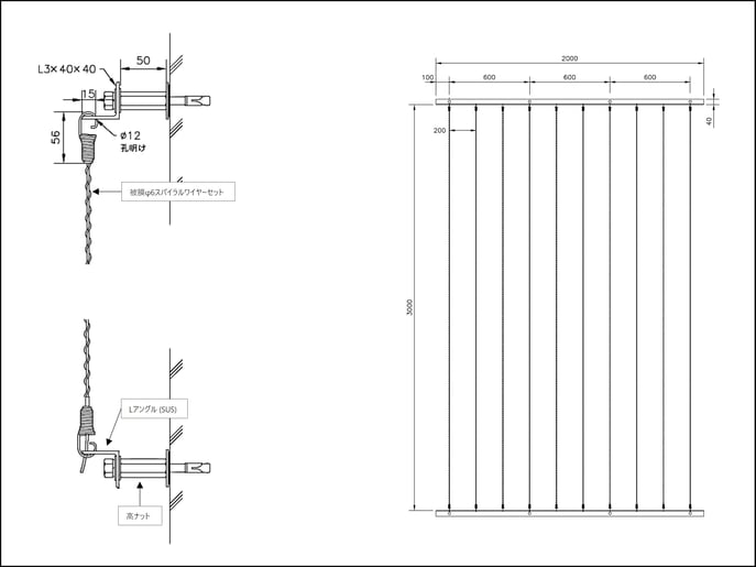
 ストライプ A: ~H5,00 

 

 ストライプ A: ~H5,000

 

※ 中間振れ止め:Lアングル不要

 

 

寸法例:W2,000mm×H3,000mm (ワイヤーピッチ@200mm)

 

概算設計価格 (税抜)
パターン①
  • 被膜φ6 スパイラルワイヤーセット L=3,200×10本
  • Lアングル(SUS)×4m
  • 高ナット×8本
172,000円
パターン②
  • スパイラルワイヤーロール100m×1巻
  • グリップ内蔵バネフック×20個
  • Lアングル(SUS)×4m
  • 高ナット×8本
253,000円
  • アンカーボルト及び取付工事費用、植栽費用、メンテナンス費用は含まれておりません
  • Lアングルを固定する支柱ピッチは@600を基準とします
  • ワイヤーピッチは@200~300を基準とします。植栽の種類などに合わせて、ピッチをご検討下さい。 
  • アングル穴あけ寸法 φ12~14 (上下共通)
  • アングル穴あけ寸法指定あり
 

 

DXF

 


 ストライプ B H5,000~H8,000 (振れ止め:Lアングル) 

 

 ストライプ B H5,000~H8,000 (振れ止め:Lアングル)

 

※ 推奨 中間振れ止め:Lアングル

 

 

寸法例:W4,000mm×H6,000mm (ワイヤーピッチ@200mm)

 

概算設計価格 (税抜)
パターン①
  • 被膜φ6 スパイラルワイヤーセット L=6,200×20本
  • Lアングル(SUS)×12m
  • 高ナット×24本
512,000円
パターン②
  • スパイラルワイヤーロール100m×2巻
  • グリップ内蔵バネフック×40個
  • Lアングル(SUS)×12m
  • 高ナット×24本
628,000円
  • アンカーボルト及び取付工事費用、植栽費用、メンテナンス費用は含まれておりません
  • Lアングルを固定する支柱ピッチは@600を基準とします
  • ワイヤーピッチは@200~300を基準とします。植栽の種類などに合わせて、ピッチをご検討下さい。 
  • アングル穴あけ寸法 φ12~14 (上下共通)
  • アングル穴あけ寸法指定あり
 

 

DXF

 


 ストライプ C: H5,000~H8,000 (振れ止め:支柱+α)

 

 ストライプ C: H5,000~H8,000 (振れ止め:支柱+α)

 

※ 推奨 中間振れ止め:アイボルト付き支柱+被膜φ6 スパイラルワイヤーセット

 

 

寸法例:W4,000mm×H6,000mm (ワイヤーピッチ@200mm)

 

概算設計価格 (税抜)
パターン①
  • 被膜φ6 スパイラルワイヤーセット L=6,200×20本
  • Lアングル(SUS)×8m
  • 高ナット×16本
  • 振れ止め用 被膜φ6 スパイラルワイヤーセット L=4,100×20本
  • 振れ止め用 アイボルト付き支柱×2本
402,000円
パターン②
  • スパイラルワイヤーロール100m×2巻
  • グリップ内蔵バネフック×42個
  • Lアングル(SUS)×8m
  • 高ナット×16本
  • 振れ止め用 アイボルト付き支柱×2本
515,000円
  • アンカーボルト及び取付工事費用、植栽費用、メンテナンス費用は含まれておりません
  • Lアングルを固定する支柱ピッチは@600を基準とします
  • ワイヤーピッチは@200~300を基準とします。植栽の種類などに合わせて、ピッチをご検討下さい。 
  • アングル穴あけ寸法 φ12~14 (上下共通)
  • アングル穴あけ寸法指定あり
 

 

DXF

 


 ストライプ D: H8,000~

 

 ストライプ D: H8,000~

 

※ スパイラルワイヤーセット連結構成

※ 推奨 中間振れ止め:Lアングル

 

 

寸法例:W4,000mm×H15,000mm (ワイヤーピッチ@200mm)

 

概算設計価格 (税抜)
パターン①
  • 被膜φ6 スパイラルワイヤーセット L=7,700×40本
  • Lアングル(SUS)×20m
  • 高ナット×40本
937,000円
パターン②
  • スパイラルワイヤーロール100m×4巻
  • グリップ内蔵バネフック×80個
  • Lアングル(SUS)×20m
  • 高ナット×40本
1,132,000円
  • アンカーボルト及び取付工事費用、植栽費用、メンテナンス費用は含まれておりません
  • Lアングルを固定する支柱ピッチは@600を基準とします
  • ワイヤーピッチは@200~300を基準とします。植栽の種類などに合わせて、ピッチをご検討下さい。 
  • アングル穴あけ寸法 φ12~14 (上下共通)
  • アングル穴あけ寸法指定あり
 

 

DXF

 


チェッククロス E: ~H5,000 (開口部)

 

 チェッククロス E: ~H5,000 (壁付、開口部)

 

※ M10アンカーボルト等が打てない躯体:開口部での仕様になります

 

 

寸法例:W2,000mm×H3,000mm (ワイヤーピッチ@200mm×600mm)

 

概算設計価格 (税抜)
パターン①
  • 被膜φ6 スパイラルワイヤーセット L=3,200×10本
  • Lアングル(SUS)×4m
  • 高ナット×8本
  • φ3 ロット棒 L=2,000×4本
  • 連結金具 グリーンガイド×24個
209,000円
パターン②
  • スパイラルワイヤーロール100m×1巻
  • グリップ内蔵バネフック×20個
  • Lアングル(SUS)×4m
  • 高ナット×8本
  • φ3 ロット棒 L=2,000×4本
  • 連結金具 グリーンガイド×24個
289,000円
  • アンカーボルト及び取付工事費用、植栽費用、メンテナンス費用は含まれておりません
  • Lアングルを固定する支柱ピッチは@600を基準とします
  • 縦と横を構成するワイヤーピッチは自由に計画出来ます
  • 通常は、縦@200~300×横@400~600を基準とします。植栽の種類などに合わせて、ピッチをご検討下さい。
  • 連結金具:グリーンガイドはワイヤーピッチ@200までは、縦ワイヤー1本飛ばしで設置、ワイヤーピッチ@200以上は、縦ワイヤー1本に付き、1本設置
  • アングル穴あけ寸法 φ12~14 (上下共通)
  • アングル穴あけ寸法指定あり
 

 

DXF

 


 チェッククロス F: ~H5,000 

 

 チェッククロス F:壁付

 

※ M10アンカーボルト等が打てる壁面に設置

※ H5,000以上も可能

 

 

寸法例:W2,000mm×H3,000mm (ワイヤーピッチ@200mm×600mm)

 

概算設計価格 (税抜)
パターン①
  • 被膜φ6 スパイラルワイヤーセット L=3,200×10本
  • Lアングル(SUS)×4m
  • 高ナット×8本
  • 横段用 被膜φ6 スパイラルワイヤーセット L=2,200×4本
  • 横段用 ボルト支柱×8本
217,000円
パターン②
  • スパイラルワイヤーロール100m×1巻
  • グリップ内蔵バネフック×28個
  • Lアングル(SUS)×4m
  • 高ナット×8本
  • 横段用 ボルト支柱×8本
294,000円
  • アンカーボルト及び取付工事費用、植栽費用、メンテナンス費用は含まれておりません
  • Lアングルを固定する支柱ピッチは@600を基準とします
  • 縦と横を構成するワイヤーピッチは自由に計画出来ます
  • 通常は、縦@200~300×横@400~600を基準とします。植栽の種類などに合わせて、ピッチをご検討下さい。
  • 連結金具:グリーンガイドはワイヤーピッチ@200までは、縦ワイヤー1本飛ばしで設置、ワイヤーピッチ@200以上は、縦ワイヤー1本に付き、1本設置
  • アングル穴あけ寸法 φ12~14 (上下共通)
  • アングル穴あけ寸法指定あり
 

 

DXF

 


 ダイヤクロス G: ~H5,000

 

 ダイヤクロス G

 

※ H5,000以上も可能

 

 

寸法例:W2,000mm×H3,000mm (ワイヤーピッチ@200mm×240mm×480mm)

 

概算設計価格 (税抜)
パターン①
  • 被膜φ6 スパイラルワイヤーセット L=7,200×7本
  • 被膜φ6 スパイラルワイヤーセット L=3,700×2本
  • Lアングル(SUS)×4m
  • 高ナット×8本
  • アイボルト付き支柱×10本
  • M6アイボルト×18個
232,000円
パターン②
  • スパイラルワイヤーロール100m×1巻
  • グリップ内蔵バネフック×18個
  • Lアングル(SUS)×4m
  • 高ナット×8本
  • アイボルト付き支柱×10本
  • M6アイボルト×18個
293,000円
  • アンカーボルト及び取付工事費用、植栽費用、メンテナンス費用は含まれておりません
  • Lアングルを固定する支柱ピッチは@600を基準とします
  • 縦と横を構成するワイヤーピッチは自由に計画出来ます
  • 横段:ボルト支柱も可
 

 

DXF