ワイヤー式壁面緑化工法 アルティマ壁面緑化システム (PAT.P)


 

 高さによる納まり標準構成_ボルト支柱

 

 ワイヤーセット1本辺りの荷重値は上端、下端各ボルト支柱に5kg~10kg程度になります。

 2種類の部材構成 (パターン①_スパイラルワイヤーセット、パターン②_ワイヤーロール+グリップ内蔵バネフック)

 

 

 

左図:高さ 約5,000まで

 

パターン①

  • 被膜φ6スパイラルワイヤーセット ×1本

  • ※ 振れ止めなしで取付可能

パターン②

  • 被膜φ6スパイラルワイヤーロール

  •  

    グリップ内蔵バネフック×2個

  • ※ 振れ止めなしで取付可能
 

 

高さ 約5,000 ~ 約8,000まで

 

パターン①

  • 被膜φ6スパイラルワイヤーセット ×1本
  • 中間振れ止め用 支柱+α (推奨)

パターン②

  • 被膜φ6スパイラルワイヤーロール
  • グリップ内蔵バネフック×2個
  • 中間振れ止め用 支柱+α (推奨)

 

 納まり支持材_ボルト支柱

 

 

① ワイヤーは縦のみ(ストライプ)に張りたい

 

↓ はい ↓ いいえ

 

② 高さ8m以上である

 

② ワイヤーは縦横(チェッククロス)に張りたい
↓ はい ↓ いいえ ↓ はい ↓ いいえ 斜め(ダイヤクロス)に張りたい
  ③ 高さ5m以上8m以下である

 

③ 設置箇所は開口部である (アンカーが打てない)

 

 
↓ はい ↓ いいえ 高さ5m以下  ↓ はい ↓ いいえ 

 

詳細はこちら

 

詳細はこちら 詳細はこちら 詳細はこちら 詳細はこちら  詳細はこちら
           
C B A D E F

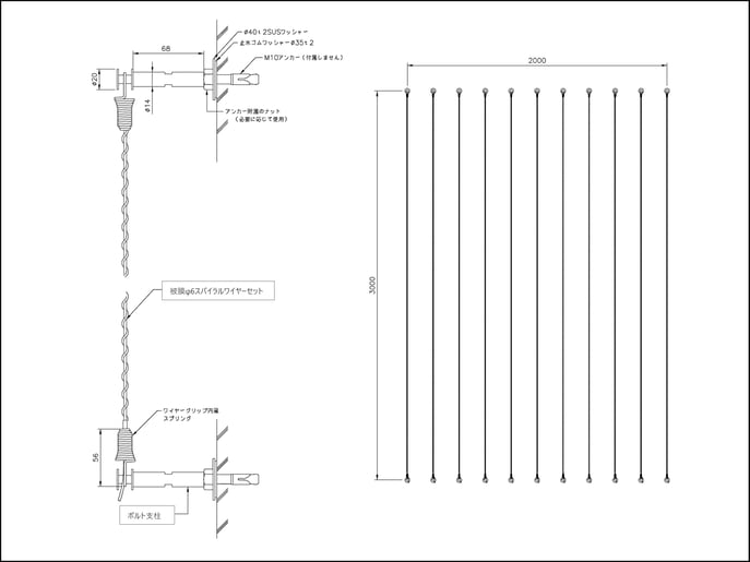
 ストライプ A: ~H5,000

 

 ストライプ A: ~H5,000

 

※ 中間振れ止め不要

 

 

寸法例:W2,000mm×H3,000mm (ワイヤーピッチ@200mm)

 

概算設計価格 (税抜)
パターン①
  • 被膜φ6 スパイラルワイヤーセット L=3,200×11本
  • ボルト支柱×22本
129,000円
パターン②
  • スパイラルワイヤーロール100m×1巻
  • グリップ内蔵バネフック×22個
  • ボルト支柱×22本
209,000円
  • アンカーボルト及び取付工事費用、植栽費用、メンテナンス費用は含まれておりません
  • ワイヤーピッチは@200~300を基準とします。植栽の種類などに合わせて、ピッチをご検討下さい。 
 

 

DXF

 


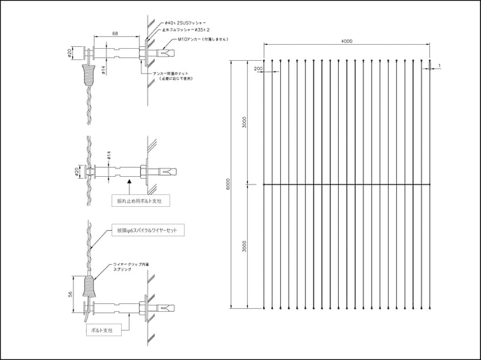
 ストライプ B: H5,000~8,000

 

 ストライプ B: H5,000~8,000

 

※ 中間振れ止め:ボルト支柱+被膜φ6 スパイラルワイヤーセット

 

 

寸法例:W4,000mm×H6,000mm (ワイヤーピッチ@200mm)

 

概算設計価格 (税抜)
パターン①
  • 被膜φ6 スパイラルワイヤーセット L=6,200×21本
  • ボルト支柱×42本
  • 振れ止め用 被膜φ6 スパイラルワイヤーセット L=4,200×1本
  • 振れ止め用 ボルト支柱×2本
308,000円
パターン②
  • スパイラルワイヤーロール100m×2巻
  • グリップ内蔵バネフック×44個
  • ボルト支柱×42本
  • 振れ止め用 ボルト支柱×2本
417,000円
  • アンカーボルト及び取付工事費用、植栽費用、メンテナンス費用は含まれておりません
  • ワイヤーピッチは@200~300を基準とします。植栽の種類などに合わせて、ピッチをご検討下さい。 
 

 

DXF

 


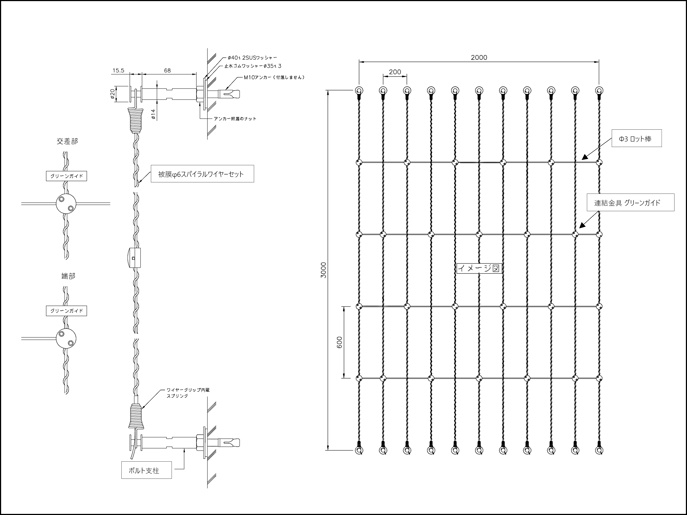
 チェッククロス D: ~H5,000 (開口部)

 

 チェッククロス D: ~H5,000 (開口部)

 

※ M10アンカーボルト等が打てない躯体:開口部での仕様になります

 

 

寸法例:W2,000mm×H3,000mm (ワイヤーピッチ@200mm×600mm)

 

概算設計価格 (税抜)
パターン①
  • 被膜φ6 スパイラルワイヤーセット L=3,200×11本
  • ボルト支柱×22本
  • φ3 ロット棒 L=2,000×4本
  • 連結金具 グリーンガイド×24個
166,000円
パターン②
  • スパイラルワイヤーロール100m×1巻
  • グリップ内蔵バネフック×22個
  • ボルト支柱×22本
  • φ3 ロット棒 L=2,000×4本
  • 連結金具 グリーンガイド×24個
245,000円
  • アンカーボルト及び取付工事費用、植栽費用、メンテナンス費用は含まれておりません
  • 縦と横を構成するワイヤーピッチは自由に計画出来ます
  • 通常は、縦@200~300×横@400~600を基準とします。植栽の種類などに合わせて、ピッチをご検討下さい。
  • 連結金具:グリーンガイドはワイヤーピッチ@200までは、縦ワイヤー1本飛ばしで設置、ワイヤーピッチ@200以上は、縦ワイヤー1本に付き、1本設置
 

 

DXF

 


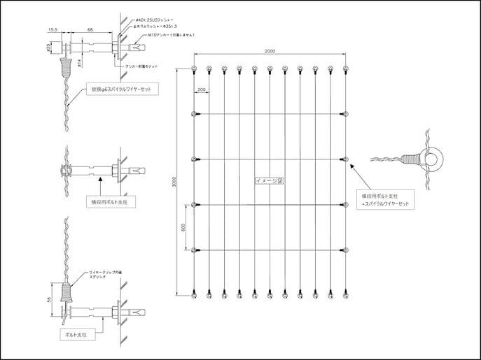
 チェッククロス E: ~H5,000

 

 チェッククロス E

 

※ M10アンカーボルト等が打てる壁面に設置

※ H5,000以上も可能

 

 

寸法例:W2,000mm×H3,000mm (ワイヤーピッチ@200mm×600mm)

 

概算設計価格 (税抜)
パターン①
  • 被膜φ6 スパイラルワイヤーセット L=3,200×11本
  • ボルト支柱×22本
  • 横段用 被膜φ6 スパイラルワイヤーセット L=2,200×4本
  • 横段用 ボルト支柱×8本
174,000円
パターン②
  • スパイラルワイヤーロール100m×1巻
  • グリップ内蔵バネフック×30個
  • ボルト支柱×22本
  • 横段用 ボルト支柱×8本
250,000円
  • アンカーボルト及び取付工事費用、植栽費用、メンテナンス費用は含まれておりません
  • 縦と横を構成するワイヤーピッチは自由に計画出来ます
  • 通常は、縦@200~300×横@400~600を基準とします。植栽の種類などに合わせて、ピッチをご検討下さい。
 

 

DXF